模拟量输入隔离式安全栅 PHD-12HD-211
概 述
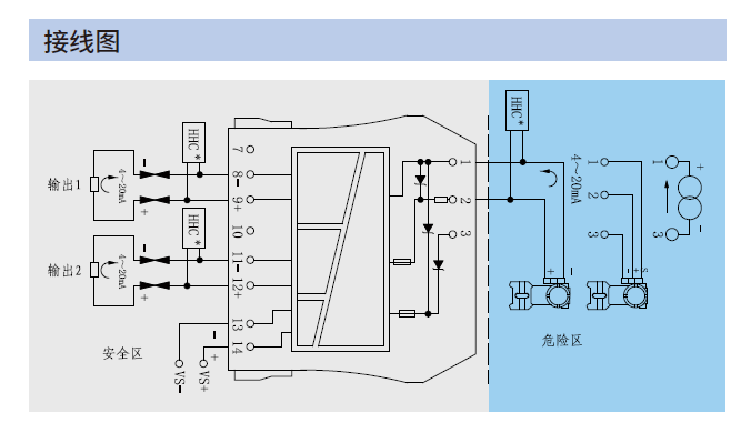
底板安装型隔离式安全栅:PHD-12HD-211,可实现由危险区变送器产生的4~20mA信号,
或电流源4~20mA信号,隔离传送到安全区两路输出,并支持HART信号双向通讯。变送器
可以是:两线制、三线制,电路为变送器提供配电电源。
该产品需独立供电,电源、输入、输出三端隔离。

供电电压 | 20~35VDC,功耗<2W (24VDC,变送器输入,输出20mA时) |
---|---|
配电输出电源 | 电路输出20mA时,配电电压≥16V |
输入信号 | 二、三线制变送器或电流源信号(HART) |
输出信号 | 4~20mA (HART) |
允许输出负载能力 | 0-500?(可定制) |
输出精度 | 0.1%F.S (典型值:0.05% F.S) |
温度漂移 | 0.005%F.S/℃ |
输入输出路数 | 一路输入,二路输出 |
适用的现场设备 | 二、三线制变送器、电流源信号,本产品适用于ABB、 Fisher、 Rosemount、Honeywell 11,以及以引进技术的3351、EJA、 SIEMENS等产品) |
温度参数 | 工作温度:-20℃~+60℃,存储温度:-40℃~+80℃ |
空气相对湿度 | 10%~95% RH无凝露 |
绝缘强度 | 本安端与非本安端(≥3000VAC/min);电源与非本安端之间(≥1500VAC/min) |
绝缘电阻 | ≥100MΩ (输入/输出/电源间) |
外形尺寸 | 厚12.5mm×宽108mmx高118mm |
电磁兼容性 | 符合IEC 61326-1 (GB/T 18268),IEC 61326-3-1 |
防爆标志 | [Exia Ga]IIC |
功能安全认证 | SIL2 符合 IEC 61508 EN 61511标准 |
认证机构 | 国家防爆电气产品质量监督检验中心CQST认证 |
认证参数(端子1-2之间) | Um=250V Uo=3.5V Io=—mA Co=100μF Lo=—mH Po=—W |
认证参数(端子3-4之间) | Um=250V Uo=28V Io=93mA Co=0.05μF Lo=2.4mH Po=0.65W |
安装场所要求 | 可与具有ⅡA、ⅡB、ⅡC危险气体的0区本安仪表相连接 |
平均无故障时间 | ≤100000小时 |