模拟量输入隔离式安全栅 PHC-22HD-1111
概述
概述
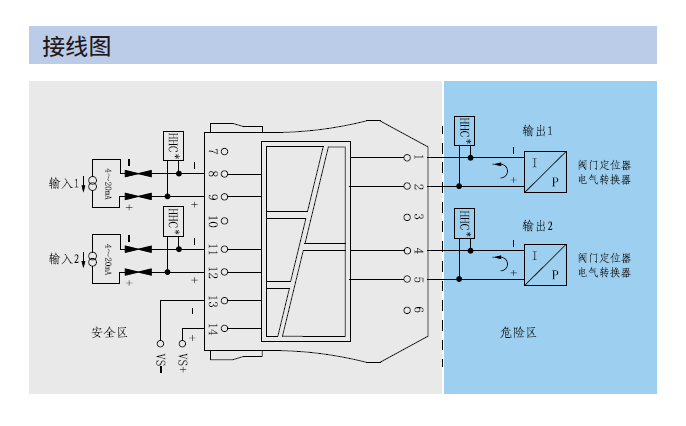
底板安装型隔离式安全栅:PHC-22HD-1111,可实现将安全区仪表的4~20mA信号传输到
危险区,驱动现场的阀门定位器、电/气转换器等设备,同时支持HART数字信号双向传输。
该产品需独立供电,电源、输入、输出三端隔离。

供电电压 | 20-35VDC,功耗约2W (24VDC供电,输出20mA时) |
---|---|
输入信号 | 4~20mA (HART) |
输出信号 | 4~20mA (HART) |
允许输出负载能力 | 0~500 ? |
输入输出路数 | 二路输入,二路输出 |
适用的现场设备 | 阀门定位器,电/气转换器 |
温度参数 | 工作温度:-20℃-+60℃,存储温度:-40℃-+80℃ |
空气相对湿度 | 10%~95%RH无凝露 |
绝缘强度 | 本安端与非本安端(≥3000VAC/min);电源与非本安端之间(≥1500VAC/min) |
绝缘电阻 | ≥100MΩ(输入/输出/电源间) |
外形尺寸 | 厚12.5mmx宽108mmx高118mm |
电磁兼容性 | 符合IEC 61326-1 (GB/T 18268),IEC 61326-3-1 |
防爆标志 | [Exia Ga]IIC |
认证机构 | 国家防爆电气产品质量监督检验中心CQST认证 |
认证参数(端子1-2,3-4之间) | Um=250V Uo=28V Io=93mA Co=0.05μF Lo=2.4mH Po=0.65W |
安装场所要求 | 可与具有ⅡA、ⅡB、ⅡC危险气体的0区本安仪表相连接 |
平均无故障时间 | ≤100000小时 |