模拟量输出隔离式安全栅 PHC-11HD-11
概述
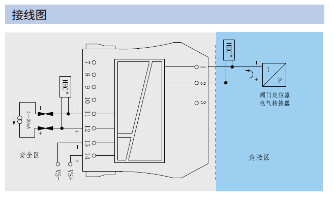
底板安装型隔离式安全栅:PHC-11HD-11,可实现将安全区仪表的4~20mA信号传输到危
险区,驱动现场的阀门定位器、电/气转换器等设备,同时支持HART数字信号双向传输。
该产品需独立供电,电源、输入、输出三端隔离。

供电电压 | 20~35VDC,功耗约1.2W(24VDC,输出20mA时) |
---|---|
输入信号 | 4~20mA(HART) |
输出信号 | 4~20mA(HART) |
允许输出负载能力 | 0~500Ω |
适用现场设备 | 阀门定位器,电/气转换器 |
输出精度 | 0.1%F.S(典型值:0.05%F.S) |
温度漂移 | 0.005%F.S/C |
空气相对湿度 | 10%~95%RH无凝露 |
绝缘强度 | 本安端与非本安端(≥3000VAC/min);电源与非本安端之间(≥1500VAC/min) |
绝缘电阻 | ≥100MΩ(输入/输出/电源间) |
外形尺寸 | 厚12.5mm×宽108mm×高118mm |
电磁兼容性 | 符合IEC 61326-1(GB/T18268),IEC 61326-3-1 |
防爆标志 | [Exia Ga]lⅡC |
功能安全认证 | SIL2符合IEC61508EN61511标准 |
认证机构 | 国家防爆电气产品质量监督检验中心COST认证 |
认证参数(端子3-4之间) | Um=250V Uo=28V Io=93mA Co=0.05uF Lo=2.4mH Po=0.65W |
安装场所要求 | 可与具有1ⅡA、ⅡB、ⅡC危险气体的0区本安仪表相连接 |
平均无故障时间 | ≤100000小时 |