PH6401-3A1B
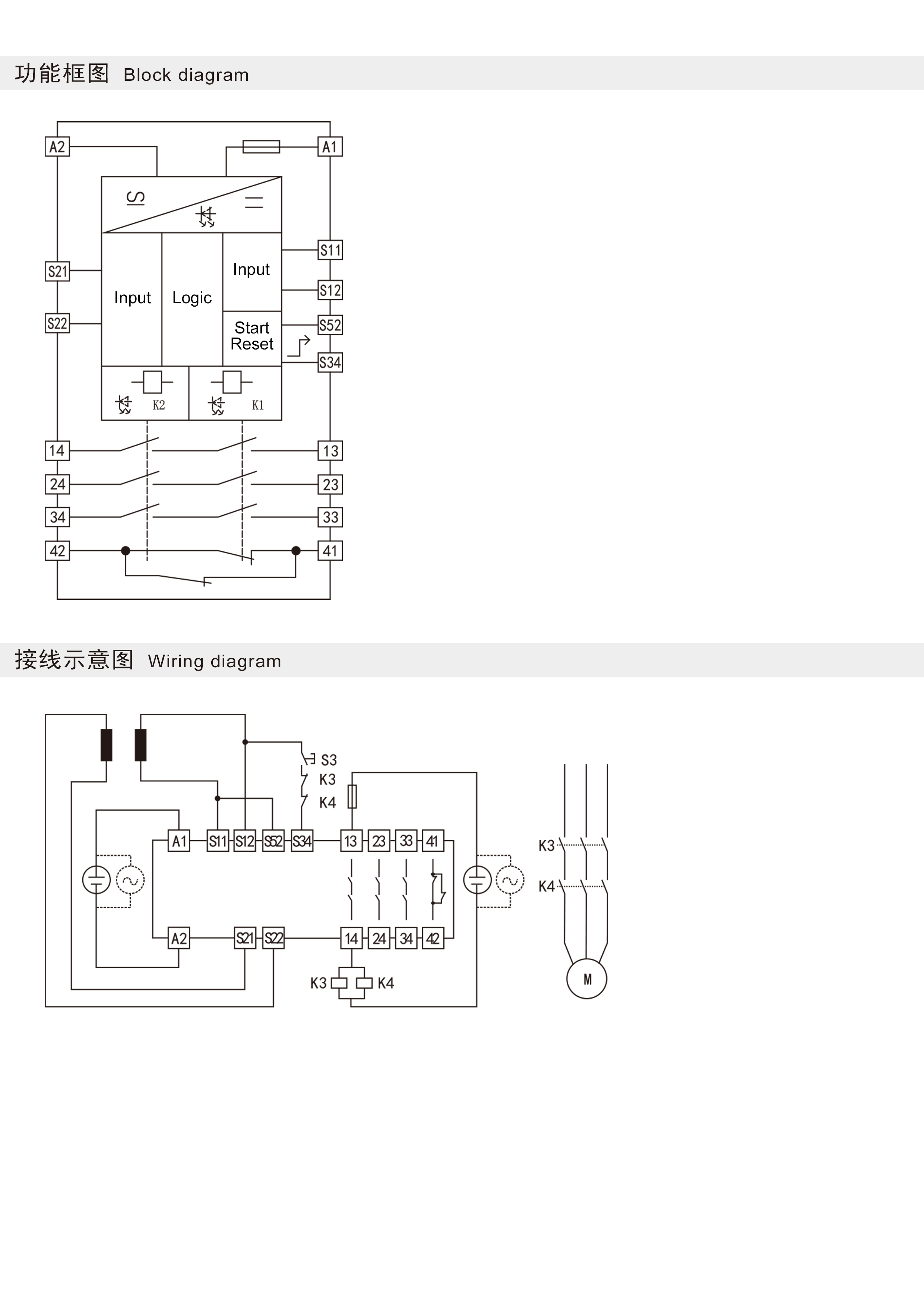
PH6401-3A1B是一款安全继电器控制模块,适用于安全地毯输入,具有3路常开(NO)安全输出触点和1路常闭(NC)辅助输出触点的安全继电器。它支持双通道操作,手动或自动复位功能。
PH6401-3A1B
安全地毯输入
产品特性
支持四线制安全地毯输入
支持自动复位和手动复位
支持四线制安全地毯输入
支持自动复位和手动复位

产品特性 |
支持四线制安全地毯输入
支持自动复位和手动复位
|
---|---|
电源特性 |
供电电压:24VDC/AC
电压容差:0.85-1.1
电流损耗:≤90mA(24VDC)
≤240mA(24VDC)
|
输入特性 |
输入电流:≤50mA (24V DC)
导线电阻:≤15Ω
输入设备:四线制安全地毯
|
输出特性 |
触点数量:3NO+1NC
触点材料:AgsnO?+0.2μm Au
触点熔丝保护:10A gL/gG NEOZED(NO):(常开触点)
6A gL/gG NEOZED(NO):(常闭触点)
切换容量:AC-15.5A/230V:DC-13. 5A/24V
触点机械寿命:10^7次以上
|
时间特性 |
吸合缓冲时间:自动复位≤300ms,手动复位≤150ms
释放缓冲时间:急停操作≤30ms,电源失效≤100ms
恢复时间:急停操作≤30ms,电源失效≤100ms
电源短时中断:20ms
|
环境特性 |
电磁兼容:EN60947,EN61000-6-2,EN61000-6-4
振动频率:10Hz~55Hz
振动幅度:0.35mm
使用温度:-20℃~+60℃
储存温度:-40℃~+85℃
相对湿度:10%~90%
海拔高度:≤2000m
|
绝缘特性 |
过压等级:Ⅲ
污染等级:2
额定绝缘电压:250VAC
额定冲击电压:6000V(1.2/50us)
绝缘强度:1500VAC,1min
电气间隙和爬电距离:EN 60947-1
|
安全认证 |
安全完整性等级:SIL3
性能等级:符合标准EN IS 013849, PLe
安全类别:符合标准EN IS 013849, Cat.4
|
